Historie hledání
PAGID brzdový kotouč 50267 Ean: 4007590054549
- Kód výrobce: 50267 , 98200 0988 ,
- Objednací kód:
- Název: Brzdový kotouč
- Ean: 4007590054549
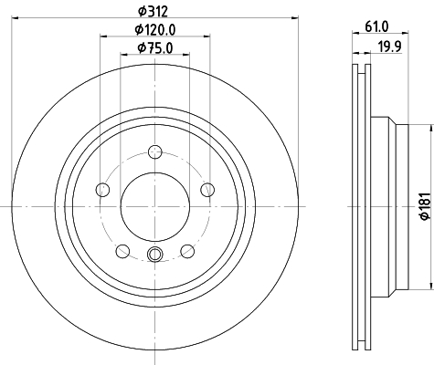
Výška ( v mm ): 61 mm
Hmotnost [kg]: 6,6 kg
typ brzdového kotouče: vnější větrání
síla brzdového kotouče v mm: 19,9 mm
minimální tloušťka (v mm): 18,4 mm
Počet děr v brzdovém bubnu: 05/06
Vnější průměr [mm]: 312 mm
Centrovací průměr [mm]: 75 mm
Kruhový vyvrt ? 2 [mm]: 120 mm
povrch: nátěr
Doplňující výrobek/info 2: bez náboje kola
Doplňující výrobek/info 2: bez šroubů vozidlového kola
párová čísla výrobku: 50266
