Historie hledání
PAGID brzdový kotouč 54856 Ean: 4007590130977
- Kód výrobce: 54856 , 98200 1856 0 1 ,
- Objednací kód:
- Název: Brzdový kotouč
- Ean: 4007590130977
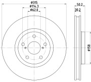
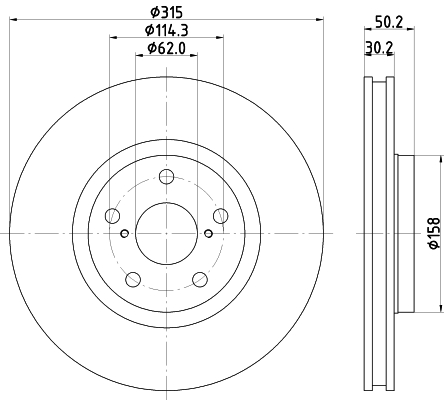
Výška ( v mm ): 50,2 mm
Hmotnost [kg]: 9,8 kg
typ brzdového kotouče: vnitřně ventilováno
síla brzdového kotouče v mm: 30,2 mm
minimální tloušťka (v mm): 28 mm
Počet děr v brzdovém bubnu: 05/07
Vnější průměr [mm]: 315 mm
Centrovací průměr [mm]: 62 mm
Kruhový vyvrt ? 2 [mm]: 114,3 mm
povrch: nátěr
Doplňující výrobek/info 2: bez náboje kola
Doplňující výrobek/info 2: bez šroubů vozidlového kola
