Historie hledání
PAGID brzdový kotouč 56172 Ean: 4007590323096
- Kód výrobce: 56172 , 98200 3172 0 1 ,
- Objednací kód:
- Název: Brzdový kotouč
- Ean: 4007590323096
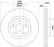
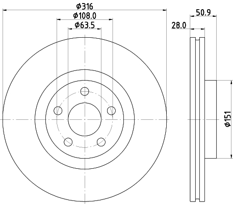
Výška ( v mm ): 50,9 mm
Hmotnost [kg]: 10,1 kg
typ brzdového kotouče: vnitřně ventilováno
síla brzdového kotouče v mm: 28 mm
minimální tloušťka (v mm): 26,5 mm
Počet děr v brzdovém bubnu: 05/05
Vnější průměr [mm]: 316 mm
Centrovací průměr [mm]: 63,5 mm
Kruhový vyvrt ? 2 [mm]: 108 mm
povrch: nátěr
Doplňující výrobek/info 2: bez náboje kola
Doplňující výrobek/info 2: bez šroubů vozidlového kola
