Historie hledání
PAGID brzdový kotouč 56252HC Ean: 4007590328190
- Kód výrobce: 56252HC , 98200 3252 0 1 ,
- Objednací kód:
- Název: Brzdový kotouč
- Ean: 4007590328190
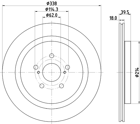
Vnější průměr [mm]: 338 mm
síla brzdového kotouče v mm: 18 mm
typ brzdového kotouče: vnitřně ventilováno
minimální tloušťka (v mm): 16,5 mm
Výška ( v mm ): 39,5 mm
Počet děr v brzdovém bubnu: 05/07
Kruhový vyvrt ? 2 [mm]: 114,3 mm
Centrovací průměr [mm]: 62 mm
Hmotnost [kg]: 7 kg
Doplňující výrobek/info 2: bez náboje kola
Doplňující výrobek/info 2: bez šroubů vozidlového kola
povrch: nátěr
Zpracování: vysoce nauhličeno
