Historie hledání
PAGID brzdový buben 61447 Ean: 4007590309908
- Kód výrobce: 61447 , 98100 0444 0 1 ,
- Objednací kód:
- Název: Brzdový buben
- Ean: 4007590309908
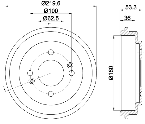
rozměr bubnu: 180 mm
Výška brzdového bubnu vnitřní [mm]: 36 mm
Brzdový buben vnější průměr [mm]: 219,6 mm
Výška brzdového bubnu celková [mm]: 53,3 mm
Počet děr v brzdovém bubnu: 04/06
Kruhový vyvrt ? 2 [mm]: 100 mm
max. hodnota stočení bubnu (v mm): 182 mm
Centrovací průměr [mm]: 62,5 mm
Hmotnost [kg]: 3,5 kg
Doplňující výrobek/info 2: bez ložiska (kola)
Doplňující výrobek/info 2: bez náboje kola
Doplňující výrobek/info 2: bez šroubů vozidlového kola
